.
  • 作者:zhangzhan
  • 积分:1930
  • 等级:博士研究生
  • 2020/6/12 22:21:56
  • 中国面包师贴吧-楼主(阅:1647/回:0)用摄像管替换电视机电路里的显现管的摄像机

    用摄像管替换电视机电路里的显现管的摄像机

    用摄像管替换电视机电路里的显现管的摄像机


    用摄像管替代显像管的摄像机原理框图
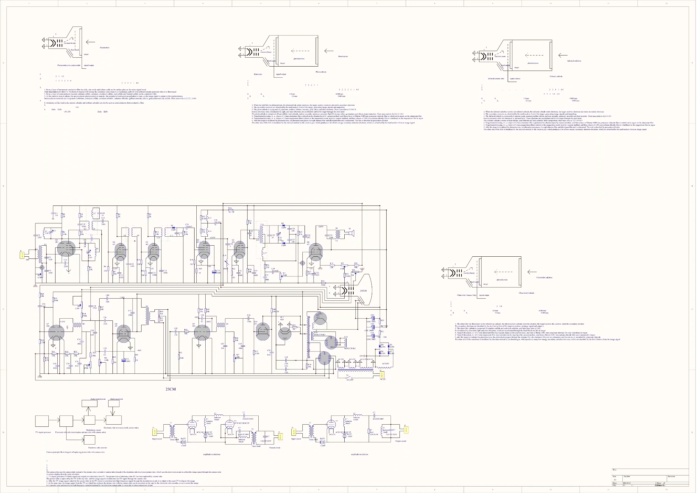
    用摄像管替代显像管的摄像机,是一种把电子管电视机显像管换为摄像管,利用电视机电路通过摄像管采集图像信号. 并通过相同的电视机显示出来的摄像机, 1,电视信号发生电产生电视空白信号,并输出到电子管电视,电子管电视的显像管已经换成摄像管. 这个显像管换成射线管的电视,通过摄像管把图像信号加载到电视信号上面. 2,这个电视机电路里的摄像管输出的电视图像信号经过调制电路变成高频信号后,在输出到相同的电视机,使电视机显示出图像. 3.同时使用电子管录音机可以将已经把显像管替换为摄像管的电视机输出的图像信号记录到磁带上,这就达到记录图像的目的. 4.还可以使用无线收发电路发送接收由电视机摄像管经过调制出来的高频信号.电路下载网址:链接:https://pan.baidu.com/s/1m42vgNlb_MVnEgTr4mRoQQ ;
    提取码:2chm
    https://share.weiyun.com/obLdShyJ

      在平面玻璃上面喷一层透明导电膜氧化锡,氧化锌,氧化铟做微信号板。它们的质量比是2:1:0.5。2.再在导电膜上面喷一层半导体材料硫化镉、硒、硫化铝、硫化铅、硫化铋。它们的质量比是1:1:2:2:3:4,这种材料在光照时会改变阻值,会在光照时形成不同的电势。半导体材料由硒、硫化镉、硒化镉、碲化镉、砷化镓、硅、锗、硫化锌构成,它们的质量比是2:2:2:1:1:0.6。3.由于电子束照射在半导体光导材料上,使钯上各点电势为零,因而在负载电阻上输出图像信号。4,也可以用硫化锑,氧化铅,硒化砷,硒化铌单独做半导体光导膜。
    5.可以在稀薄的氧气中把氧化铅蒸发到玻璃表面形成靶材。就是将氧化铅放到蒸发皿中加热到150摄氏度,使其蒸发到玻璃表面。6.可以将ZnSe与ZnTe放入到石墨坩埚中,在上面放入带透明电极的玻璃板上,分别控制坩埚温度在150-250摄氏度,可以在玻璃板上面得到ZnSe和ZnTe的固体蒸发物

    1.   光线照射到光电阴极,光电阴极发射电子,靶接收到电子,发射二次电子
    2.   2,二次电子被靶前面的钢网吸收,产生图像信号并输出
    3.   3.光电阴极由钾,钠,锂,汞,金,银等元素构成,它们的质量比是3:3:4:1:1
    4.   它被光线照射后发射电子,这些电子在被加速后穿过钢网撞击到靶上面
    5.   光电阴极由硫化铅,硒化铅,砷化铟,砷化锑,碲镉汞三元合金,锗及硅掺杂材料组成,它们的质量比是2:2:2:2:1:1:0.5
    6.   4.靶材的制造,A.在氧化铝层上面用真空法镀一层0.1mm铝膜,再在铝膜上面,在氩气中挥发一层纤维状0.001mm氯化钾膜
    7.   4.靶材的制造,A.在氧化镁层上面用真空法镀一层0.1mm镁膜,再在镁膜上面,在氩气中挥发一层纤维状0.001mm氯化钠膜
    8.   5,靶在被光电子照射后,光电子经过氧化铝膜,铝膜而耗尽,其余全部被氯化钾吸收
    9.   膜的另外一边受电子枪发射的电子照射,这就产生了很多低能量的二次发射电子,这些二次电子被钢网吸收形成图像信号


    11. 1.红外线照射到红外线阴极,红外线阴极发射电子,靶接收到电子,发射二次电子
    12. 2,二次电子被靶前面的钢网吸收,产生图像信号并输出
    13. 3.红外线阴极由氧化亚铜, 单晶硅, 砷化镓, 砷化锑, 砷化铅 构成,它们的质量比是2:2:1:1:0.5
    14. 它被红外线照射后发射电子,这些电子在被加速后穿过钢网撞击到靶上面
    15. 红外线阴极由硫化铅、碲化铅、硒化铅。锑化铟构成,它们的质量比是2:2:1:0.5:0.5
    16. 4.靶材的制造,A.在氧化铝层上面用真空法镀一层0.1mm铝膜,再在铝膜上面,在氩气中挥发一层纤维状0.001mm氯化钾膜
    17. 4.靶材的制造,A.在氧化镁层上面用真空法镀一层0.1mm镁膜,再在镁膜上面,在氩气中挥发一层纤维状0.001mm氯化钠膜
    18. 5,靶在被光电子照射后,光电子经过氧化铝膜,铝膜而耗尽,其余全部被氯化钾吸收
    19. 膜的另外一边受电子枪发射的电子照射,这就产生了很多低能量的二次发射电子,这些二次电子被钢网吸收形成图像信号


    21. 1.紫外线照射到红外线阴极,紫外线阴极发射电子,靶接收到电子,发射二次电子
    22. 2,二次电子被靶前面的钢网吸收,产生图像信号并输出
    23. 3.紫外线阴极由硫化镉、硒化镉构成,它们的质量比是2:0.8
    24. 它被紫外线照射后发射电子,这些电子在被加速后穿过钢网撞击到靶上面
    25. 4.靶材的制造,A.在氧化铝层上面用真空法镀一层0.1mm铝膜,再在铝膜上面,在氩气中挥发一层纤维状0.001mm氯化钾膜
    26. 4.靶材的制造,A.在氧化镁层上面用真空法镀一层0.1mm镁膜,再在镁膜上面,在氩气中挥发一层纤维状0.001mm氯化钠膜
    27. 5,靶在被光电子照射后,光电子经过氧化铝膜,铝膜而耗尽,其余全部被氯化钾吸收
    28. 膜的另外一边受电子枪发射的电子照射,这就产生了很多低能量的二次发射电子,这些二次电子被钢网吸收形成图像信号



    发帖须知:

    1,发帖请遵守《计算机信息网络国际联网安全保护管理办法》、《互联网信息服务管理办法》、 《互联网电子公告服务管理规定》、《维护互联网安全的决定》等法律法规。

    2,请对您的言论负责,我们将保留您的上网记录和发帖信息。

    3,在此发帖表示认同我们的条款,我们有权利对您的言论进行审核、删除或者采取其他在法律、地方法规等条款规定之内的管理操作。
    内容:
    验证: 验证码,看不清楚?请点击刷新验证码 * 匿名发表需要进行验证!
     
           
    中国面包师贴吧-中国烘焙师贴吧- 弹性深蓝色可爱版右侧悬浮qq在线客服代码
    在线咨询 x
    有什么可以帮到您
    点击咨询
    -粤ICP备13040473号-2