|
作者:city7cc
积分:4065
等级:专家教授
2020/6/24 21:02:18
|
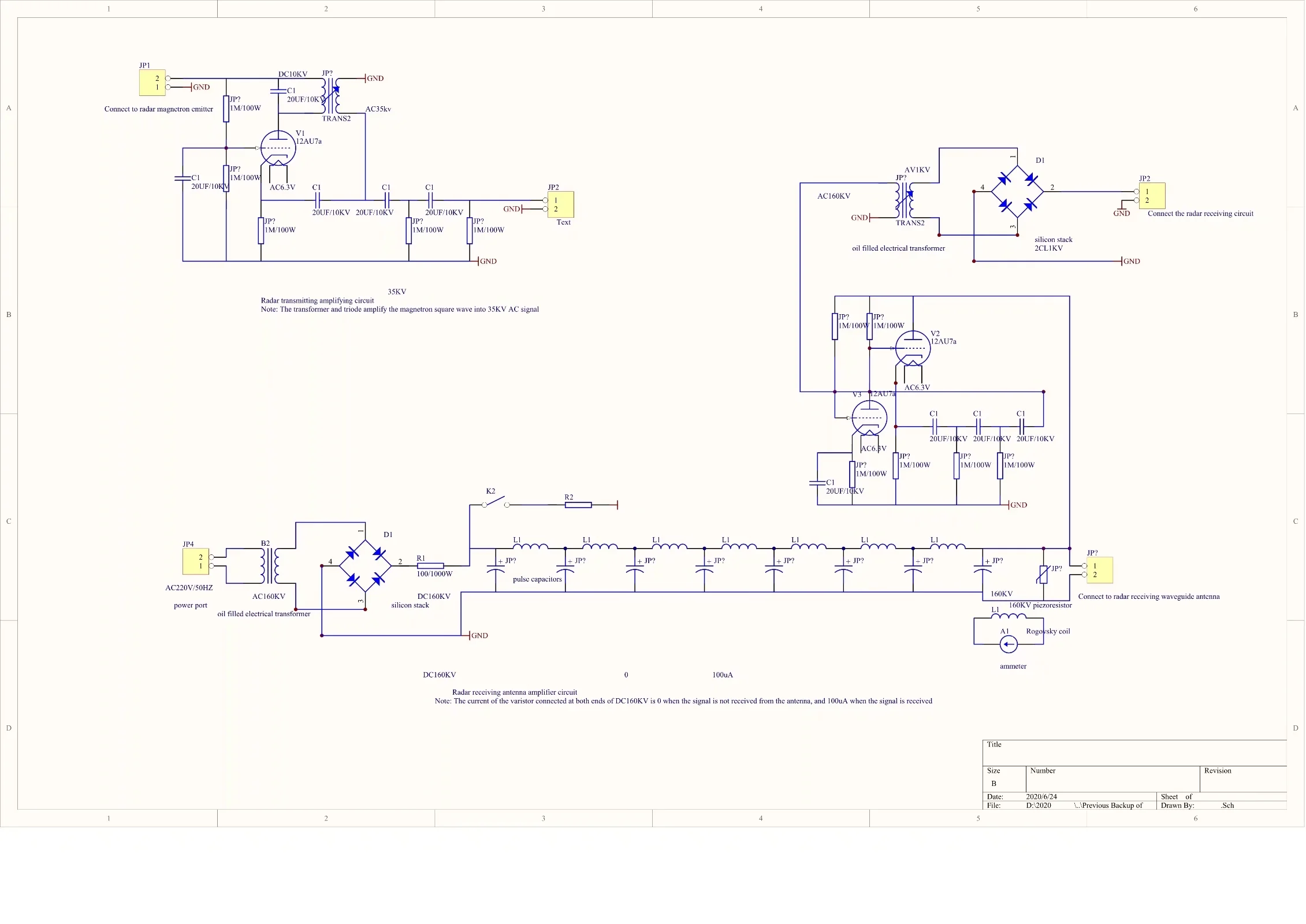
中国面包师贴吧-楼主(阅:1870/回:0)使用高压变压器发送信号和压敏电阻接收信号的雷达使用高压变压器发送信号和压敏电阻接收信号的雷达 使用高压变压器发送信号和压敏电阻接收信号的雷达 普通雷达通过磁控管将高频脉冲信号发射出去,然后通过铁氧体转换开关,从雷达波导天线接收信号,下面介绍一种,将磁控管发出的高频脉冲信号变换为正弦波信号,再经过变压器变换为35KV高压并通过雷达波导天线发射出去的雷达。这种雷达通过两端接DC160KV的高压的压敏电阻接收信号,这时,这个压敏电阻两端是绝缘的,只要电压稍微升高一点,压敏电阻两端就会有50uA的电流通过,最大有1mA电流通过。也就是当雷达的波导天线接收到雷达信号时,压敏电阻的两端的电压就会升高,压敏电阻内部就会有电流通过,这个电流在经过放大电路放大进入雷达的接收电路,雷达就会接收信号。雷达电路图下载地址是:https://share.weiyun.com/T7sqZb09 链接:https://pan.baidu.com/s/1SabDpZLZPwoGPEfXuDRKqA ;提取码:i1kt下面是雷达接收发射的电路图  下面是雷达的电路图
                                                  
|
|