.
  • 作者:city7cc
  • 积分:4065
  • 等级:专家教授
  • 2020/11/17 8:38:28
  • 中国面包师贴吧-楼主(阅:1698/回:0)用电压表测量圆锥线圈的双球体钢珠滑动的陀螺仪

    用电压表测量圆锥线圈的双球体钢珠滑动的陀螺仪

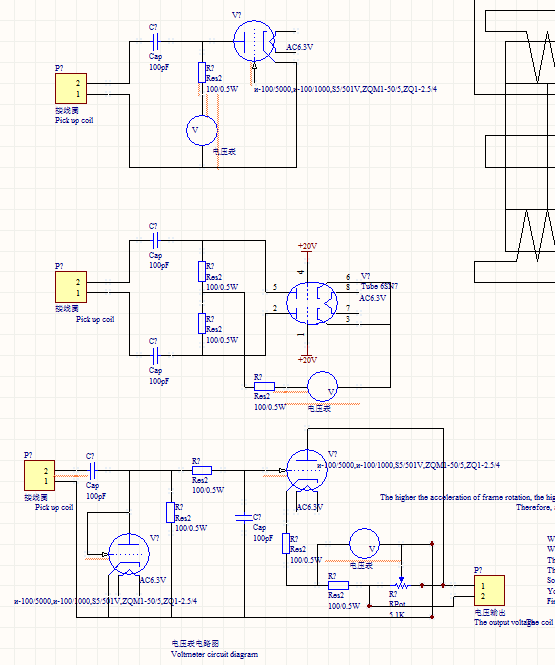
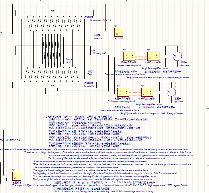
    用电压表测量圆锥线圈的双球体钢珠滑动的陀螺仪用电压表测量圆锥线圈的双球体钢珠滑动的陀螺仪是一种,使用电压表测量感应线圈的感应电动势,并将这个感应电动势通过扩音机放大电路放大,最后通过指针式电压表指示经纬度的陀螺仪。普通惯性制导陀螺仪,利用电动机带动通电线圈转动,当电动机转动时,电动机的转轴转动,电动机转轴外面的框架通过轴承和电动机转轴连接。如果框架绕轴承转动,电动机带动转轴高速转动,由于惯性作用,电动机的位置就会保持不动。这时,框架上面的线圈就会感应到电动机上面的通电导线所产生的感应电动势。用电压表电路测量这个感应电动势,再用扩音机放大电路将这个电压值放大,最后通过电压表显示这个电压。当框架上面的线圈感应到的电压越大时,框架和电机之间的转动角度就越大,当框架上面的线圈感应到的电压越小时,框架和电机之间的转动角度就越小。利用感应电动势的大小就会指示框架所处的经纬度。用频率表电路测量这个感应电动势的频率,再用扩音机放大电路将这个电压值放大,最后通过频率表显示这个电压的频率。当框架上面的线圈感应到的电压的频率越大时,框架和电机之间的转动的加速度就越大,当框架上面的线圈感应到的电压的频率越小时,框架和电机之间的转动的加速度就越小。利用感应电动势的频率大小就会指示框架的加速度。惯性陀螺仪的原理如下图。


    还可以,用两层中空的球体做成惯性陀螺仪,内层中空球体里面是一个由电池带动的电机高速转动的铜球,这个球体内部是两个圆锥体线圈,这两个线圈倒扣在一起,组成一个类球体线圈。这个类球体线圈上面由电池驱动的电流产生强磁场。内层中空球体和外层中空球体之间是一圈铜珠,外层球体和内层球体可以通过铜珠相互转动。外层球体外面是3层类球体线圈。每层线圈由两个倒扣在一起的圆锥体线圈组成。这三层线圈的圆锥体定点组成的直线相互垂直分别位于X,Y,Z轴。当里面的铜球被电动机带动绕X轴转动时,外面的铜球随便转动一个角度,外层铜球上面的3层类球体线圈就会产生3各不同的感应电动势。这3个感应电动势对应X,Y,Z轴的转动角度大小情况。当外层铜球绕内层铜球转动角度大时,感应电动势就大,当外层铜球绕内层铜球转动角度小时,感应电动势就小。用电压表电路测量这3个感应电动势,再用扩音机放大电路将这个电压表输出电压放大,就会得到三个大小随外层铜球转动角度变化的的感应电动势,可以用这几个感应电动势指示经纬度的变化。同时可以用频率表测量这个感应电动势的频率,当外层铜球绕内层铜球转动加速度大时,感应电动势的频率就大,当外层铜球绕内层铜球转动加速度小时,感应电动势的频率就小。用频率表电路测量这3个感应电动势的频率,再用扩音机放大电路将这个频率表输出电压放大,就会得到三个大小随外层铜球转动加速度变化的的感应电动势的频率,可以用这几个感应电动势的频率指示加速度的变化。线圈可以采用铜,银,铅,金,钛,铌按照质量比5:1:0.5:0.5:0.3:0.1高温2000摄氏度冶炼制造。这样的线圈电阻低,属于超导材料,感应电压灵敏度强。上面的电压表,频率表,扩音机电路图下载网址是:链接:https://share.weiyun.com/kx6AUipw。链接:https://pan.baidu.com/s/1n63M_hTklGEb7CFp2ltYVw ;提取码:ljfd 它的结构如下图。




    发帖须知:

    1,发帖请遵守《计算机信息网络国际联网安全保护管理办法》、《互联网信息服务管理办法》、 《互联网电子公告服务管理规定》、《维护互联网安全的决定》等法律法规。

    2,请对您的言论负责,我们将保留您的上网记录和发帖信息。

    3,在此发帖表示认同我们的条款,我们有权利对您的言论进行审核、删除或者采取其他在法律、地方法规等条款规定之内的管理操作。
    内容:
    验证: 验证码,看不清楚?请点击刷新验证码 * 匿名发表需要进行验证!
     
           
    中国面包师贴吧-中国烘焙师贴吧- 弹性深蓝色可爱版右侧悬浮qq在线客服代码
    在线咨询 x
    有什么可以帮到您
    点击咨询
    -粤ICP备13040473号-2