.
  • 作者:city7cc
  • 积分:4065
  • 等级:专家教授
  • 2021/3/10 18:52:48
  • 中国面包师贴吧-楼主(阅:1755/回:0)可以计算一元二次方程复数根的模拟计算机

    可以计算一元二次方程复数根的模拟计算机

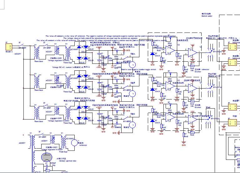
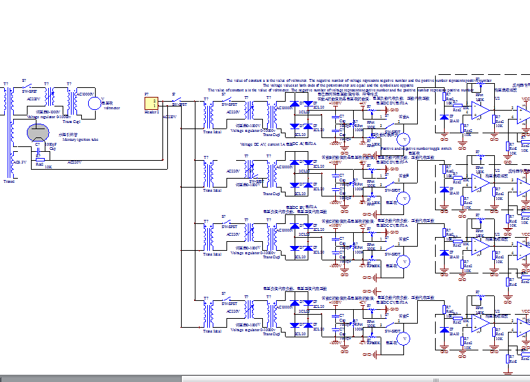
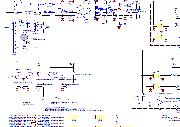
    模拟计算机采用模拟电路计算加减乘除。例如计算,(28+80-65)×56÷79,可以先用直流电源电路产生一个DC28V,1A的信号,这个信号代表实数28。再用直流电源电路产生一个DC80V,1A的信号,这个信号代表实数80。再用直流电源电路产生一个DC65V,1A的信号,这个信号代表实数65。再用直流电源电路产生一个DC56V,1A的信号,这个信号代表实数56。再用直流电源电路产生一个DC79V,1A的信号,这个信号代表实数79。注意这几个直流稳压电路都是由硅堆将AC220V电源变为直流电源,电源由调压器调节,电流固定不变一直为1AAC220V是由AC380V经过变压器和水银引燃管变压得到。这样做的好处是,电压电流的大小可以由水银引燃管调节。电路下载网址:链接: https://pan.baidu.com/s/1JbWESaLKwpWnMWbZGdNoLQ 提取码: ufy8

    https://share.weiyun.com/eXVCG2E3

    这个电源电路如下:

    同时,AC220V电源经过变压器变压,调压器调压,可以将电压升高到AC10000V,这样可以产生DC10000V,1A的信号,也就是说这个电源可以产生110000的实数。把调压器的中点接地,比地线高的电位,带正电,表示正数,比地线低的电位,带负电,表示负数。这个可以产生负电位,正电位的调压器电路如下图所示。电路的末端接上电流表电压表,可以测量电路输出的电压,电流,让电流一直保持1A,电压是线性的直流电。

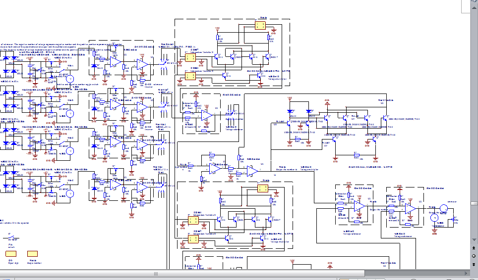
    由调压器电路得到这些电压数字后,再把它们接到加法器电路,减法器电路,乘法器电路,除法器电路,就会得到上面运算式(28+80-65)×56÷79的计算结果26.9367

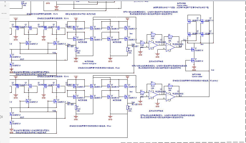
    加法器电路如下

    加法器电路如下

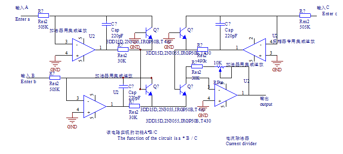
    乘法器电路如下

    除法器电路如下

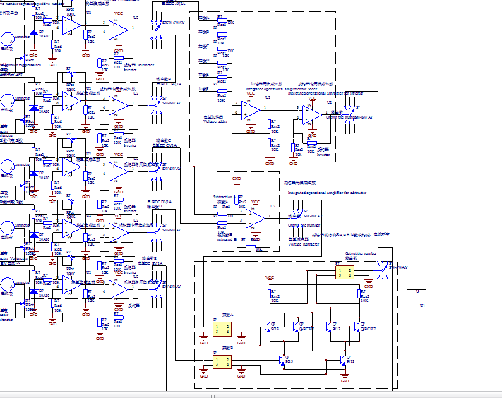
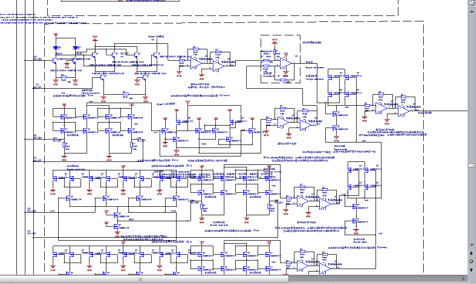
    集成运放电路如下

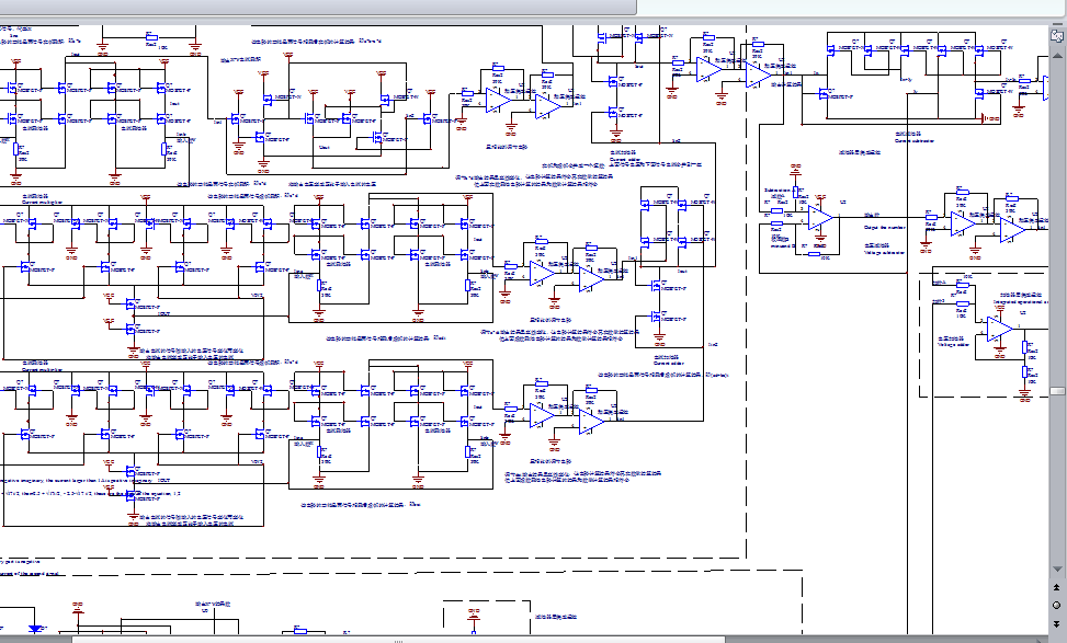
    上面整个过程的计算电路如下

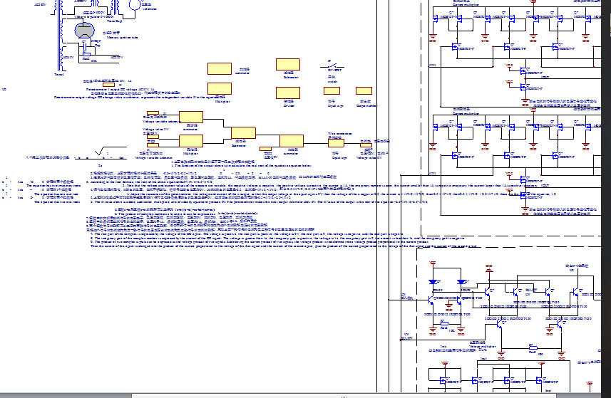
    一元二次方程ax2+bx+c=0a≠0,它的求根公式是x=[-b±√(b2-4ac)]/2a

    例如计算下面的一元二次方程x2+3x+2=0,根据求根公式,它的根是2,1

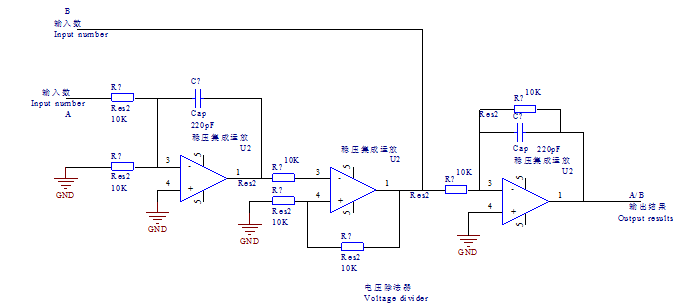
    利用上面的调压器电路产生一个不固定可变电压,电流保持1A的信号,用这个信号表示方程式的自变量X,再用上面的调压器电路产生一个DC3V,1A的信号,这个信号表示常数3,再用上面的调压器电路产生一个DC3V,1A的信号,这个信号表示常数2,最后利用乘方电路,乘法器电路,加法器电路将上面的几个电压连接到一起,最后的输出端接上电压表,电流表。调节电源电路里面的电位器,使表示X的电源输出得电压呈线性变化,电流保持不变为DC1A,最后电路输出端的电压为DC0V1A时,这时表示X的电源输出的电压值为DC2V或者DC1V,表示方程的一个根是21。上面计算一元二次方程的电路如下。

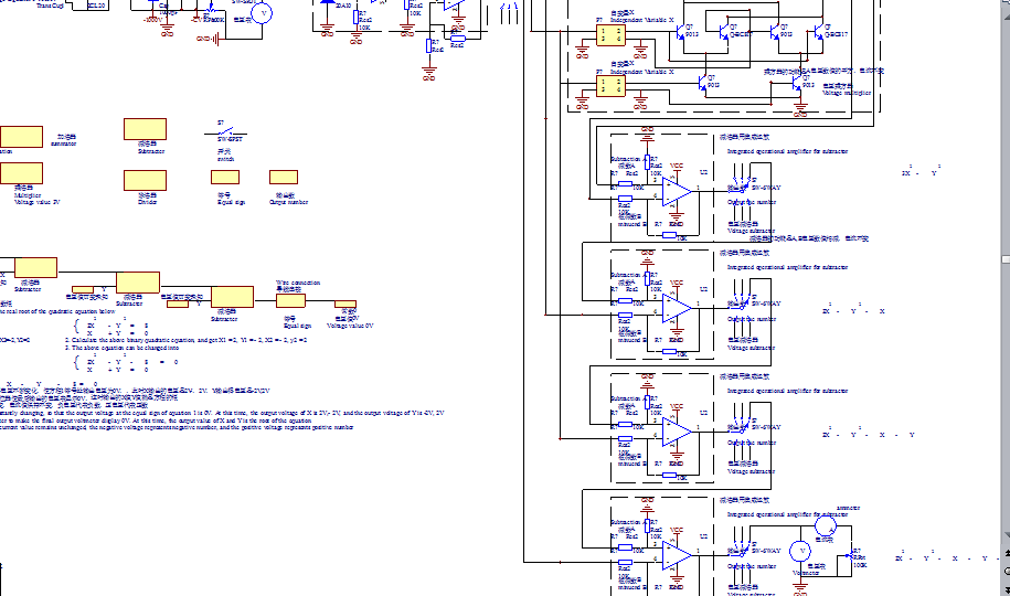
    同时计算二元二次方程组,        3x2-y2 =8

                             x-y =0

    X1=2,Y1=-2,X2=-2,Y2=2。可以将两个方程相加得

    3x2-y2 +x-y=8,方程式两边同减8

    3x2-y2 +x-y-8=0。这个方程就是我们需要用模拟电路表示的方程。当这个电路的输出为0V1A时,XY的电压值就是方程的根。

    利用上面的调压器电路产生一个不固定可变电压,电流保持1A的信号,用这个信号表示方程式的自变量X,利用上面的调压器电路产生另外一个不固定可变电压,电流保持1A的信号,用这个信号表示方程式的自变量Y,再用上面的调压器电路产生一个DC8V,1A的信号,这个信号表示常数8,最后利用乘方电路,加法器电路,减法器电路将上面的几个电压连接到一起,乘法电路就是一个数乘上同一个数的乘法电路。在最后的输出端接上电压表,电流表。调节电源电路里面的电位器,使表示X的电源输出得电压呈线性变化,电流保持不变为DC1A,使表示X的电源输出得电压呈线性变化,调节电源电路里面的电位器,使表示Y的电源输出得电压呈线性变化,电流保持不变为DC1A,使表示Y的电源输出得电压呈线性变化,电流保持不变为DC1A,最后的输出端的电压为DC0V1A时,这时表示X的电源输出的电压值为DC2V或者DC-2V,表示X的电源输出的电压值为DC-2V或者DC2V,表示方程的根是X1=2,Y1=-2,X2=-2,Y2=2。上面计算一元二次方程的电路如下。

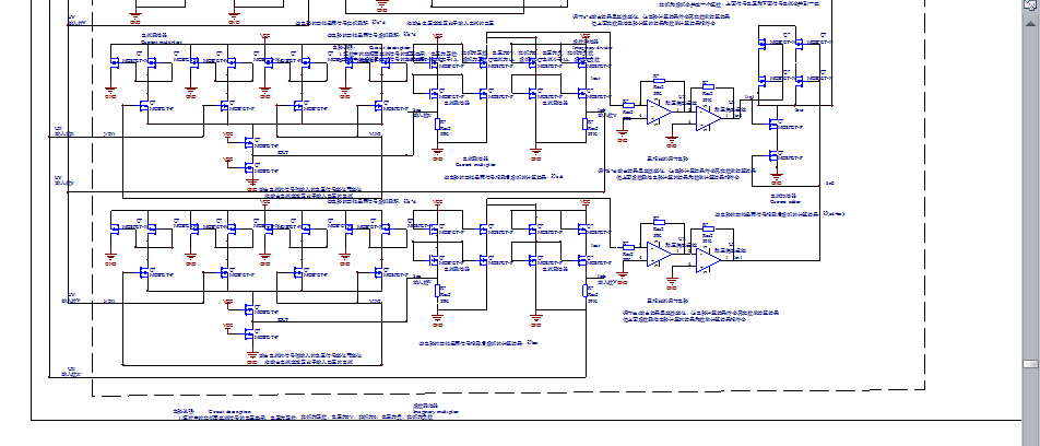
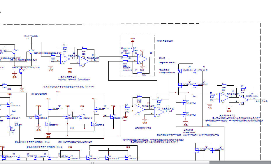
    一元二次方程ax2+bx+c=0a≠0,它的求根公式是x=[-b±√(b2-4ac)]/2a。当b2-4ac0时有两个虚数根,当b2-4ac=0时,有一个实数根,当b2-4ac0时,有两个实数根,计算x2-5x+2=0,它有两个虚数根-2.5+17i/2,-2.5-17i/2,复数用模拟电路表示时,电压代表复数的实部,电流代表复数的虚部,电压DC0V代表实数0,直流负电压代表复数,直流正电压代表正数。电流1A代表虚数0,直流小于1A的电流代表负虚数,直流大于1A的电流代表正虚数。还是上面的稳压电源,再加上调压电路,调节电位器,使电源输出的电压电流是直流可调,并呈线性变化。这个电源输出端接有电压表,电流表,它们可以显示电源输出的信号,这样这个电源就可以表示复数了。复数的乘法器和实数的乘法器不同,实数的乘法器只是电压的相乘,复数的乘法器是电压和电流相乘的组合。

    两个复数的乘法可以表示为(a+bi)(c+di)=ac-bd+(ad+bc)i,可以看做第一个数的实部a和第二个数的实部c的乘积ac,再减去第一个数的虚部b和第二个数的虚部d的乘积bd,由于bd是电流乘积,所以要采用电流乘法器,再利用电流变电压电路,将这个电流信号变为电压信号,两个信号呈线性关系。在利用电压减法器就可以得到ac-bd的电压信号,这个信号就是两个复数乘积的实部。

    可以看做第一个数的实部a和第二个数的虚部d的乘积ad,再加上第一个数的虚部b和第二个数的实部c的乘积bc,由于a是电压信号,利用电压变电流电路,将a变为电流信号,两个信号呈线性关系。再采用电流乘法器,得到ad的电流乘积。

    由于c是电压信号,利用电压变电流电路,将c变为电流信号,两个信号呈线性关系。再采用电流乘法器,得到bc的电流乘积。

    再利用电流加法器将这个电流信号相加得到两个复数乘积的虚部(ad+bc)i

    最再利用电流加法器,电压加法器将这个电流信号相加得到两个复数的乘积ac-bd+(ad+bc)i

    上面的描述可以表示为下面的框图。

    复数的乘法电路如下。

    电压变电流电路

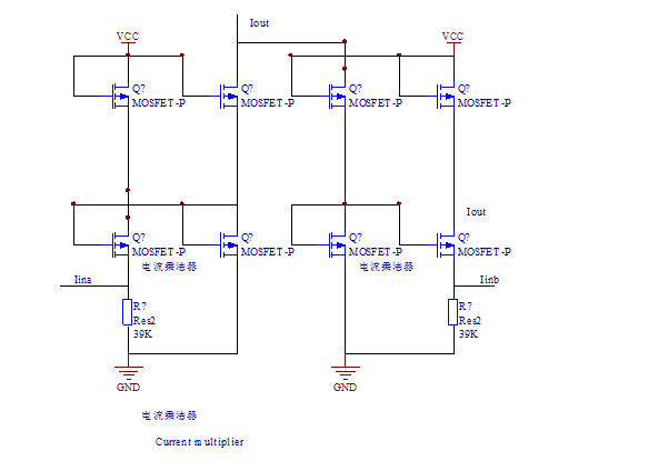
    电流乘法器

    电流减法器

    电流加法器

    电流变电压电路

      

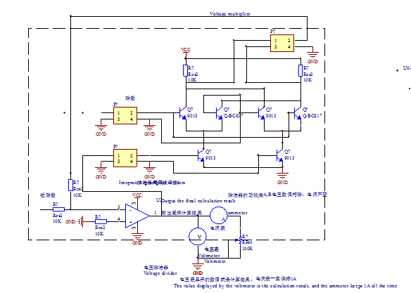
    电流电压调节电路

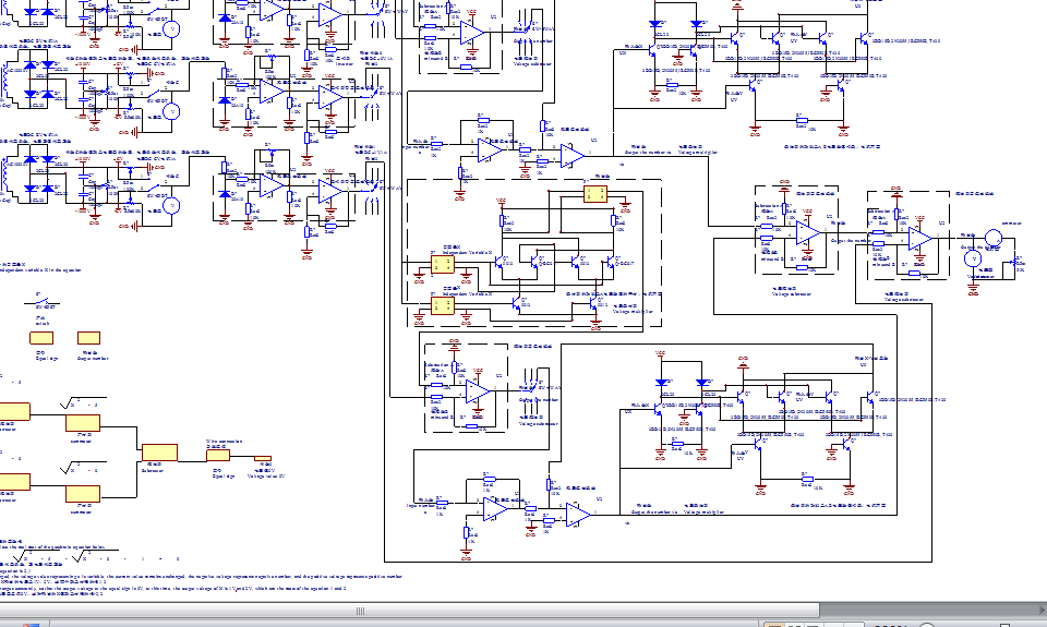
    上面求虚数根的一元二次方程模拟计算机的电路图如下所示。

                

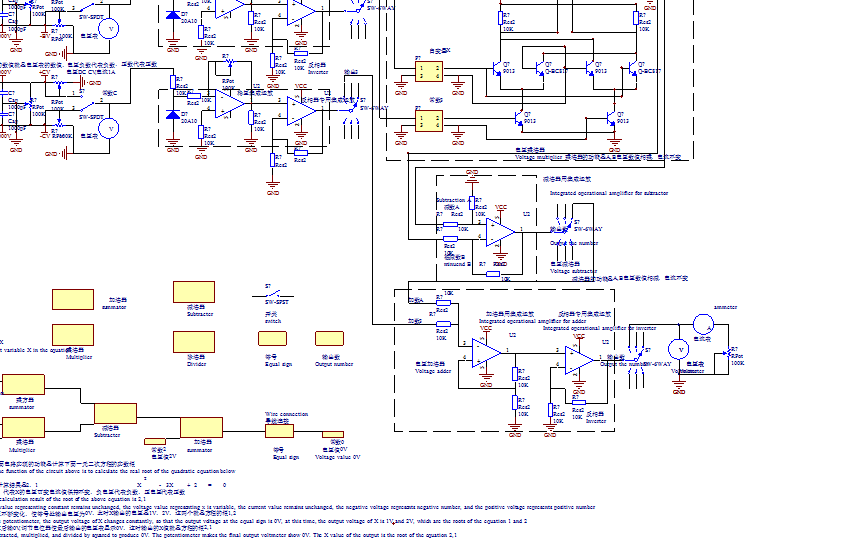
    两个复数的除法可以表示为 (a+bi)/(c+di)=(ac-adi+bci+bd)/(c*c+d*d) =(ac+bd)/(c*c+d*d)+(bci-adi)/(c*c+d*d)

    可以看做第一个数的实部a和第二个数的实部c的乘积ac,再加上第一个数的虚部b和第二个数的虚部d的乘积bd,由于bd是电流乘积,所以要采用电流乘法器,再利用电流变电压电路,将这个电流信号变为电压信号,两个信号呈线性关系。在利用电压加法器就可以得到ac+bd的电压信号,

    可以看做第二个数的实部c和第二个数的实部c的乘积c*c,再加上第二个数的虚部d和第二个数的虚部d的乘积d*d,由于d*d是电流乘积,所以要采用电流乘法器,再利用电流变电压电路,将这个电流信号变为电压信号,两个信号呈线性关系。在利用电压加器就可以得到c*c+d*d的电压信号。

    再利用电压除法器,将上面两个电压相处,得到两个复数相处的结果的实部(ac+bd)/(c*c+d*d)

    可以看做第一个数的虚部b和第二个数的实部c的乘积bc, 由于c是电压信号,利用电压变电流电路,将这个电压信号变为电流信号,两个信号呈线性关系。再利用电流乘法器得到乘积bci

    可以看做第一个数的实部a和第二个数的虚部d的乘积ad 由于a是电压信号,利用电压变电流电路,将这个电压信号变为电流信号,两个信号呈线性关系。再利用电流乘法器得到乘积adi

    再利用电流减法器将上面两个数bciadi相减,得到bci-adi

    可以看做第二个数的实部c和第二个数的实部c的乘积c*c,再加上第二个数的虚部d和第二个数的虚部d的乘积d*d,由于c*c是电流乘积,所以要采用电压乘法器,再利用电压变电流电路,将这个电压信号变为电流信号,两个信号呈线性关系。在利用电流加器就可以得到c*c+d*d的电流信号。

    再利用电流除法器,将上面两个电流相处,得到两个复数相处的结果的虚部(ac+bd)/(c*c+d*d)

    再加上第一个数的虚部b和第二个数的虚部d的乘积bd,由于bd是电流乘积,所以要采用电流乘法器,再利用电流变电压电路,将这个电流信号变为电压信号,两个信号呈线性关系。在利用电压加法器就可以得到ac+bd的电压信号,

    可以看做第二个数的实部c和第二个数的实部c的乘积c*c,再加上第二个数的虚部d和第二个数的虚部d的乘积d*d,由于d*d是电流乘积,所以要采用电流乘法器,再利用电流变电压电路,将这个电流信号变为电压信号,两个信号呈线性关系。在利用电压加器就可以得到c*c+d*d的电压信号。

    再利用电压除法器,将上面两个电压相处,得到两个复数相处的结果的实部(ac+bd)/(c*c+d*d)

    最再利用电流加法器,电压加法器将这个电流信号相加得到两个复数的相除的结果(a+bi)/(c+di)=(ac+bd)/(c*c+d*d)+(bci-adi)/(c*c+d*d)

    上面的描述可以表示为下面的框图。

    电流除法器

    电压除法器

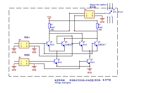
    电压乘法器

    计算带根号一元二次方程(x2-5)- (x2-8)-1=0,得根为2-2.。利用上面的调压器电路产生一个不固定可变电压,电流保持1A的信号,用这个信号表示方程式的自变量X,再用上面的调压器电路产生一个DC5V,1A的信号,这个信号表示常数5,再用上面的调压器电路产生一个DC8V,1A的信号,这个信号表示常数8,最后利用乘方电路,开方电路,减法器电路将上面的几个电压连接到一起,最后的输出端接上电压表,电流表。调节电源电路里面的电位器,使表示X的电源输出得电压呈线性变化,电流保持不变为DC1A,最后电路输出端的电压为DC0V1A时,这时表示X的电源输出的电压值为DC2V或者DC-2V,表示方程的一个根是2-2。上面计算一元二次方程的电路如下。

    电压开方电路

    电压减法器

    电压加法器





    发帖须知:

    1,发帖请遵守《计算机信息网络国际联网安全保护管理办法》、《互联网信息服务管理办法》、 《互联网电子公告服务管理规定》、《维护互联网安全的决定》等法律法规。

    2,请对您的言论负责,我们将保留您的上网记录和发帖信息。

    3,在此发帖表示认同我们的条款,我们有权利对您的言论进行审核、删除或者采取其他在法律、地方法规等条款规定之内的管理操作。
    内容:
    验证: 验证码,看不清楚?请点击刷新验证码 * 匿名发表需要进行验证!
     
           
    中国面包师贴吧-中国烘焙师贴吧- 弹性深蓝色可爱版右侧悬浮qq在线客服代码
    在线咨询 x
    有什么可以帮到您
    点击咨询
    -粤ICP备13040473号-2